Danfoss VLT ® Series 3000 series adjustable frequency drive
Core technical specifications
1. Key parameters for power supply and output
Key Explanation of Category Specification Range
Input voltage three-phase 200/230V, 380/400/415V, 440/460/500V (± 10%) in accordance with VDE 0160 standard
Input frequency 50/60Hz adaptive grid frequency
Output voltage 0-100% Input voltage synchronously adjusted with frequency
Output frequency standard 0-120Hz, expandable to 0-500Hz, programmable settings (parameter 200)
Output current (continuous) 2.6A (3002) -130A (3052) varies according to model and voltage level
Output current (intermittent 60s) 3.4A (3002) -195A (3052) to meet short-term heavy load requirements
Power range 1HP (3002) -250HP (3250) corresponds to 0.75kW-185kW
Efficiency 0.96 (100% load) High energy efficiency design
Power factor 0.9/1.0 reduces power grid losses
2. Load and motor adaptation
Load type: Supports constant torque (CT) and variable torque (VT, divided into low/medium/high levels). VT mode is suitable for fan and pump loads, while CT mode is suitable for constant loads such as machine tools and conveyor belts.
Motor protection: Built in electronic thermal relay (ETR), compliant with NEC Class 20 standard, can achieve motor overload protection when parameter 315 is set to “TRIP”, and the motor rated current needs to be set in conjunction with parameter 107.
Motor tuning: Parameter 106 (AUTO MOTOR TUNING) supports adaptive motor tuning, automatically optimizing parameters 108-113. During tuning, the motor needs to be unloaded or loaded ≤ 50%.
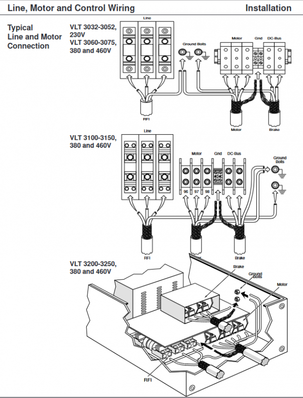
Installation and wiring specifications
1. Installation environment requirements
Temperature: Operating temperature -10~+40 ℃ (VT mode)/-10~+45 ℃ (CT mode), storage/transportation temperature -25~+65 ℃.
Humidity: Maximum 95% (no condensation), in accordance with DIN 40040 cl. E standard.
Protection level: Provides four types of enclosure, suitable for different scenarios:
IP00 (open chassis), IP20 (rack mounted), IP21 (NEMA1, splash proof), IP54 (NEMA12, dustproof and waterproof).
Cooling requirements:
Model 3002-3022: Natural convection cooling, requiring a minimum upper and lower heat dissipation space (3.9 inches for IP00/IP21 and 5.9 inches for IP54).
3060-3250 models: forced air cooling, requiring a front space of at least 6 inches, supporting wall/floor mounting (some models include a base).
2. Key requirements for wiring
Cable specifications:
Motor cable: unshielded up to 1000 feet, wire diameter 12-2/0 AWG (depending on model), shielded cable needs to consult Danfoss to confirm the maximum length.
Control line: Shielded cables should be used to avoid parallel laying with power cables (spacing ≥ 6 inches), and one end of the shielding layer should be grounded (terminal 38 or 61).
Terminal torque: Control terminal 4.5 Lb In, power terminal 12-31 Lb In (according to wire diameter).
Fuse selection: BUSS KTN-R (230V), KTS-R (500V) or equivalent models are required, with a rated current of 20-500A (depending on the model) and a short-circuit withstand capacity of 100000A.
Grounding requirements: NEMA1/12 models must be equipped with bonding plates and reliably grounded, with grounding resistance in accordance with local regulations.
Core functions and parameter configuration
1. Classification of control functions
(1) Operation mode and torque control
Control modes: open-loop (default), slip compensation (speed accuracy ± 0.5%), closed-loop (PID, speed accuracy ± 0.1%), selected through parameter 101.
Torque mode:
CT mode: constant torque output, suitable for heavy-duty starting; CT COMP mode optimizes the performance of standard induction motors; The four quadrant CT mode supports negative slip compensation (parameter 113).
VT mode: Variable torque output, divided into low/medium/high voltage V/f curves to reduce energy consumption of fans and pumps.
(2) Key operational functions
Slope control: supports three types of slopes, linear/S-curve 1-3 (parameter 214), with a slope time of 0.1-3600 seconds (parameter 215/216), and supports alternative slopes (parameter 217/218) for jogging/emergency stop.
Braking function: DC injection braking (parameters 306-308), braking time 0-60 seconds, braking voltage 0-50V, suitable for rapid shutdown scenarios; Optional dynamic braking module.
Special Features:
Flying Start (parameter 305): Capture the rotating motor and synchronize control, supporting same direction/bidirectional/DC braking before starting.
Jog (parameter 203): Preset Jog frequency (default 10Hz), activated through terminal 29 or panel.
Multi speed control (parameters 205-208): 4 sets of preset speeds, switched through terminals 32/33.
PID closed-loop control: Built in PID regulator (parameters 119-125), supports voltage/current/pulse feedback (parameter 114), suitable for pressure and flow closed-loop control.
2. Core Explanation of Parameter Grouping
Parameter group number range, core function, key parameters
Operation and Display 000-099 Language, Local/Remote, Display Selection 003 (Local/Remote), 004 (Local Reference), 005 (Display Unit)
Load and motor 100-199 motor parameters, tuning, PID 103 (motor power), 106 (adaptive tuning), 114 (feedback type)
Reference and Limitations 200-299 Frequency/Current Limit, Slope 200 (Frequency Range), 209 (Current Limit), 215 (Slope Rise Time)
Function and Timer 300-399 Braking, Reset, Thermal Protection 306 (DC Braking Time), 309 (Reset Mode), 315 (Motor Thermal Protection)
Input and output 400-499 I/O configuration, signal types 402 (startup terminal), 412 (analog input 53), 413 (analog input 60)
Serial communication 500-599 RS-485 configuration 500 (address), 501 (baud rate), 516 (bus reference)
Service and Diagnosis 600-699 Fault, Initialization 602 (Fault Memory), 604 (Initialization), 650 (Model Selection)

Operation and Communication
1. Operation method
Local operation: Controlled by panel buttons, supports start/stop/forward/reverse/jog, parameter 003 is set to “LOCAL”, and speed is adjusted through parameter 004 or the panel ± key.
Remote operation:
Digital input: Supports 2-wire (parameter 402=start) and 3-wire (parameter 400=stop, 402=latch start) control.
Analog input: Terminal 53 supports 0-10V voltage signals, and terminal 60 supports 4-20mA current signals (parameter 412/413 configuration).
Serial control: Through RS-485 interface, it supports networking of 31 drivers, enabling parameter reading and writing, speed control, and status feedback.
2. Display function
3-line LCD display, supporting 12 types of operating data: reference value, frequency, current, torque, power, energy consumption, etc.
Dual display function (parameter 605): It can simultaneously display two types of data (such as frequency+current) for real-time monitoring.
Status indication: green LED (power), red LED (alarm), displaying fault code and cause when an alarm occurs.
3. Communication specifications
Interface: RS-485 (terminal 68=positive, 69=negative), supports up to 31 drivers (without repeaters) and 99 drivers (3 repeaters).
Communication parameters: Address 01-99 (parameter 500), baud rate 300/600/1200/2400/4800/9600 (default 9600, parameter 501).
Protocol format: 10 bit data frame (1 start bit+8 data bits+1 stop bit), no checksum, telegram length of 22 bytes, supports control word/status word interaction.
Fault diagnosis and maintenance
1. Common types of faults and their solutions
Fault type, fault code prompt, and handling method
Overvoltage/undervoltage OVER VOLTAGE/ENER VOLTAGE Check the grid voltage and confirm if the braking resistor is normal
Overcurrent OVER CURRENT check for motor short circuit and wiring errors, verify motor current parameters (107)
Ground fault check motor grounding and cable insulation condition
Overheating OVER TEMPClean the cooling channel and check the cooling fan (3060+model)
Motor Overload MOTOR TRIP Check for Load Overload, Extend Slope Time, Adjust Thermal Protection Parameters (315)
Refer to fault REF FAULT to check if the analog input signal (4-20mA/0-10V) is normal
2. Maintenance points
Regular inspection: cable connection tightness, cleanliness of heat dissipation channels, motor thermal protection status (parameter 600).
Parameter backup: Save parameters through parameter 517 (STORE DATA) to avoid accidental loss.
Initialization: There are two initialization methods – parameter 604 (retaining communication/fault parameters) and manual initialization (pressing MENU+DATA+JOG to power on after power off).
Lifespan reminder: The lifespan of electronic components is related to the operating environment. It is recommended to regularly check the capacitor status and shorten the maintenance cycle in heavy load scenarios.
Safety regulations and compliance
Safe operation: After power failure, wait for 4-14 minutes (depending on the model) for the capacitor to discharge. It is forbidden to touch internal components with live electricity; An external emergency stop circuit must be configured to comply with local safety standards.
Compliance certification: CE certification (EMC directive, low voltage directive), EN 55011 Class A (optional Class B), compliant with IEC 801 anti-interference standard.
EMC requirement: Shielded cables should be used for motor cables, and control lines and power cables should be laid separately to avoid electromagnetic interference.
