Kollmorgen SILVERLINE H series brushless servo motor and matching amplifier
Overall Overview of the Product
The Kollmorgen SILVERLINE series focuses on low-cost and high-precision motion control, providing a complete solution of “brushless servo motor+dedicated amplifier”. The mechanical size of the motor is compatible with NEMA 23 and 34 stepper motors, and can be directly replaced to improve performance while maintaining reliability; The amplifier is divided into basic driver type (SO/RO/OL) and integrated locator type (BJR/BJRL), covering different control requirements. The product reduces the difficulty of selection and deployment through clear adaptation relationships, detailed wiring definitions, and installation parameters, and is suitable for cost sensitive scenarios such as automation equipment and precision positioning systems.
Detailed explanation of H series brushless servo motor
Core Model and Performance Parameters
The motor is divided into H-23X (2.3-inch square frame) and H-34X (3.44-inch square frame), each series containing different stack length models. The core performance is shown in the table below:
Model Continuous torque (N-m/oz in) Peak torque (N-m/oz in) Continuous power (W) Rated speed (RPM) Rotor inertia (kg cm ²) Weight (kg)
H-232-G 0.415/58.8 0.93/131 162 4150 0.17 0.91
H-234-H 0.833/118 1.82/258 351 6000 0.23 1.27
H-342-H 1.26/179 2.65/375 470 6000 0.48 1.78
H-344-H 2.10/297 5.26/745 701 4050 0.92 2.65
H-348-H 5.26/745 14.21/2012 821 1850 2.66 6.32
Key Characteristics
Feedback system: Standard Hall sensor (120 ° commutation), requires external 5-24VDC power supply, optional 1000 wire incremental encoder (options such as 0200/0600/0802), supports speed/position closed-loop control;
Structural design: IP40 protection level, optional shaft diameter of 0.25 inches (only H-23X) or 0.375/0.5 inches, motor lead made of Teflon material (# 16 AWG), sensor lead made of # 26 AWG, length ≥ 18 inches;
Thermal performance: The working environment temperature is 40 ℃, the thermal time constant is 8.1-33 minutes, the thermal resistance is 0.9-2.9 ℃/W, and a heat dissipation plate (such as H-23X with 6 × 6 × 0.25 inch aluminum plate) needs to be installed as required.
Axle load limit
The motor shaft load needs to be matched with the speed, and the core limits are as follows:
H-23X series: 0.375 inch shaft pure radial load up to 30lbs (reduced to 5lbs at 6000RPM), 0.25-inch shaft load needs to decay according to the curve;
H-34X series: 0.375 inch shaft pure radial load up to 60lbs (reduced to 10lbs at 6000RPM), 0.5-inch shaft pure radial load up to 80lbs (reduced to 20lbs at 6000RPM);
Load application requirements: Radial load should be applied to the shaft end 0.75-1.0 inches to avoid overloading affecting the bearing life (design life of 20000 hours L10).
Detailed explanation of supporting amplifiers
Classification and core parameters of amplifier series
The amplifiers are divided into two categories according to their functions, and the core specifications are shown in the table below:
Series models Input voltage Continuous current (ADC) Peak current (ADC) Control mode Core characteristics
Basic driver type SO-4008 20-40VDC 8 16 current/open-loop low-cost, 18kHz PWM, optically isolated I/O
Basic drive type ROL-20012 90-130VAC 12 25 current/speed support encoder/speedometer feedback, 30W regenerative power
Integrated positioning type BJR-4008 20-40VDC 8 16 current/speed/position BASIC programming, 14 inputs/6 outputs
Integrated positioning type BJRL-20012 90-135VAC 12 25 current/speed/position master-slave control, RS232/485 communication
Key Functions
Control capability: Supports six step commutation, basic amplifier provides ± 10V analog commands, integrated supports advanced motion control such as electronic gears, cam synchronization, S-curve acceleration, etc;
Protection function: The entire series includes overcurrent, overvoltage, overtemperature, and short-circuit protection. The ROL/BJRL series has built-in regenerative resistors, while the SO series requires an SPS power module;
Communication interface: The BJR/BJRL series comes standard with RS232/485 dual communication, supports multi axis networking (up to 32 units), and supports automatic baud rate adaptation.

Adaptation relationship and wiring specifications
Motor amplifier adaptation matrix
Reasons for motor model adaptation and amplifier adaptation
H-232-G SO-4008 motor continuous current 6.85ADC, matched amplifier 8ADC continuous output
H-234-F ROL-20004 motor rated voltage adaptation 135-190VDC, current 3.89ADC
H-234-H ROL-20012 motor continuous current 12.6ADC, matched amplifier 12ADC continuous output
H-342-H/H-344-H/H-348-H ROL-20012/BJRL-20012 motor current requirement 11.5-12ADC, requiring high power amplifier support
Definition of Core Wiring
Motor wiring: three-phase wire (red phase A, white phase B, black phase C), Hall sensor (brown S1, orange S2, yellow S3, blue power+, green common terminal);
Encoder wiring (1000LPR): including A/B phase, index Z signal, differential output, requiring external+5VDC power supply;
Amplifier I/O: Enable signal (Enable+/-), analog command (Analog CMD+/-), status output (Amp O.K.+/-), optical isolation design, supports 5/12/24VDC input.
Installation and Model Code
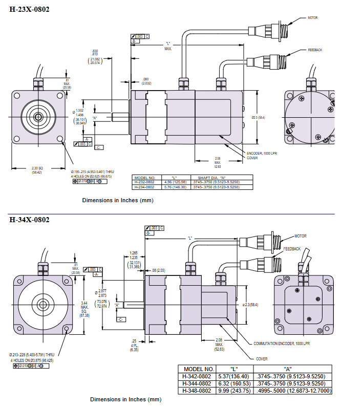
Installation dimensions
Motor installation: The H-23X series has 4 mounting holes distributed on a circumference of 2.625 inches (66.675mm), while the H-34X series has 4 mounting holes distributed on a circumference of 3.875 inches (98.425mm), with a shaft runout of ≤ 0.0015 inches;
Amplifier installation: The size of the SO series is 8 × 4 × 2.31 inches. The ROL/BJRL series requires reserved heat dissipation space, and some models require separate installation of fans.
Model coding rules
Motor model: H-XXX-XX-XXX, for example “H-234-H-0802”, where “234” represents frame/stack length, “H” represents winding, and “0802” represents with encoder+CPC connector+thermistor;
Amplifier model: SO-4008-0000, for example “ROL-20012-0000”, where “200” represents input voltage, “12” represents continuous current, and “0000” represents standard configuration.
Accessories and Support
Special accessories: CS-SL-CSE1SQ-06/CS-SL-CSD1SQ-06 cable set (compatible with BJRL/OL amplifier), BJ-C100 connector kit, BJ-BKO series breakout box
