TOSHIBA VRF Dx coil interface device Service Manual
1. Basic information
Core equipment:
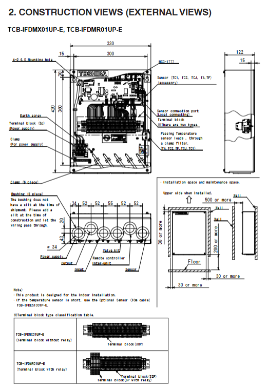
Dx coil controller: TCB-IFDMX01UP-E (without relay terminal block), TCB-IFDMR01UP-E (with relay terminal block)
Dx valve kit: RBM-A101UPVA-E (diameter Ø 12.7mm), RBM-A201UPVA-E (diameter Ø 15.88mm)
Applicable system: Can connect SMMS-u/∞/e/7 and SHRM-e series VRF outdoor units, requiring on-site preparation of AHU and DX COIL (direct expansion coil)
2. Core technical parameters and configuration
2.1 System Types and Functions
System type Core function Temperature setting range (℃) Adaptation scenario
TA type remote control set return air temperature control for cooling 13-25/heating 18-30 room temperature adjustment
TF type remote control set air supply temperature control 18-29 ventilation system
DDC type 0-10V analog direct capacity control without room temperature control function AHU system linkage supply air temperature control
2.2 Key Hardware Parameters
Refrigerant: Only R410A is supported, and it is prohibited to mix with other refrigerants such as R22. Ventilation is required after leakage (toxic gases are generated in case of fire)
Sensor:
Core sensors: TC1 (gas side), TC2 (liquid side), TCJ (capillary), TA (return air), TF (supply air)
Resistance characteristics: TC2/TCJ resistance is 10.0k Ω at 25 ℃, TA/TF sensor resistance is 12.6k Ω at 25 ℃
Installation requirements: TC1/TC2/TCJ need to be fixed by brazing, with a distance of 50 ± 25mm from the end plate
Pipeline restrictions:
Valve kit to DX COIL maximum actual length: 5m
Total piping length: TA type 200m, TF/DCD type 120m (100m in parentheses)
Maximum height difference: 40m between outdoor unit and indoor unit
2.3 Capacity Adaptation Table (Partial Core Specifications)
DX COIL type controller model, valve kit model, compatible capacity (HP)
Ordinary TCB-IFDMX01UP-E RBM-A101UPVA-E 8-40
Ordinary TCB-IFDMX01UP-E RBM-A201UPVA-E 14-40
Interlocking/facet type TCB-IFDMX01UP-E RBM-A101UPVA-E 42-120
3. Operation and safety regulations
3.1 Personnel Qualification Requirements
Qualified installation personnel: must receive Toshiba Carrier training and possess relevant qualifications for electrical operations, refrigerant operations, high-altitude operations, etc. (in compliance with local regulations)
Qualified maintenance personnel: In addition to the qualifications of installation personnel, they also possess equipment maintenance skills
3.2 Safety Protection Requirements
Required protective equipment for homework types
All homework protective gloves and safety work clothes
Electrical related insulated gloves, insulated shoes, and anti electric shock clothing
Industrial safety helmets for high-altitude operations (≥ 50cm) and ladders that comply with ISO14122 standards
Shoes with anti smashing toe caps for heavy transportation
Electrician specific protective gloves for maintenance operations
3.3 Key operation taboos
Power off requirements: The circuit breaker must be turned off before operation, and a 5-minute wait (capacitor discharge) is required before opening the electrical box cover
Refrigerant operation: It is prohibited to directly recycle it to the outdoor unit, and specialized equipment is required for recycling; Thoroughly empty the air before filling
Modification prohibition: Equipment or parts must not be modified, and replacement parts must comply with the manual specifications (such as relay G2RV-SR700-12DC)
Installation restriction: Indoor unit installation height ≥ 2.5m, prohibited from installation in areas prone to combustible gas leakage

4. Control Logic and Input/Output
4.1 Core Control Functions
Automatic capacity control: TA type is based on the difference between the return air temperature and the set value, while TF type is based on the difference between the supply air temperature and the set value, as well as the temperature change
Protection function:
Anti cold air emission: Control fan speed based on sensor temperature during heating
Anti freezing control: detect the temperature of the coil during cooling to avoid freezing
Oil recovery control: Regularly recover compressor lubricating oil during cooling/heating
Mandatory function: TF type supports forced constant temperature shutdown (such as fan forced shutdown when TA ≤ 5 ℃)
4.2 Input/output ports (MCC-1777 circuit board)
Analog input: 0-10V (AI1-AI4), 4-20mA (AI1-AI2)
Analog output: 0-10V (AO1-AO2), fan speed output (HH=9V, H=6V, L=2V)
Digital inputs: safety contacts, external fault inputs, operation mode selection (DI1-DI6)
Digital output: operating status, alarm, fan speed, defrost mode (DO1-DOE)
Communication interface: Modbus (supports RS-485, baud rate optional 9600-57600bps)
5. Troubleshooting and maintenance
5.1 Common check codes and their meanings
Inspection code fault type troubleshooting direction
P05 Power supply phase loss/wiring error check power supply wiring and circuit breaker
P10 safety contact disconnection inspection DI1 terminal connection
L30 external fault input check AHU fan operation status
F10 TCJ sensor fault check whether the sensor wiring is short circuited/open circuited
5.2 Maintenance points
Insulation test: After the operation, a 500V megohmmeter should be used to test, and the resistance between the live part and the non live metal should be ≥ 1M Ω
Leak detection requirement: refrigerant leakage must be checked after installation/maintenance
Test Run: Need to enter TEST mode through wired remote control, only supports cooling/heating mode testing
Parts replacement: The controller core circuit board is MCC-1777, and the sensor cable length is 7.5m. If it is insufficient, the optional sensor TCB-IFDES1001P-E (10m) is needed
6. Key settings and calibration
System type setting: configured through SW501 switch (TA type fully closed, TF type only Bit2 on, DDC type Bit3 on)
DN code setting: It needs to be configured with a wired remote control (RBC-ASCU1-E), including device capacity, valve kit type, sensor function, etc. (such as DN11 setting capacity code, DN4AE setting valve kit type)
Modbus settings: configured through SW506 (baud rate) and SW507 (address), supporting up to 16 devices for networking
