Honeywell TC847A1004 Reflective Linear Beam Smoke Detector
Product Overview
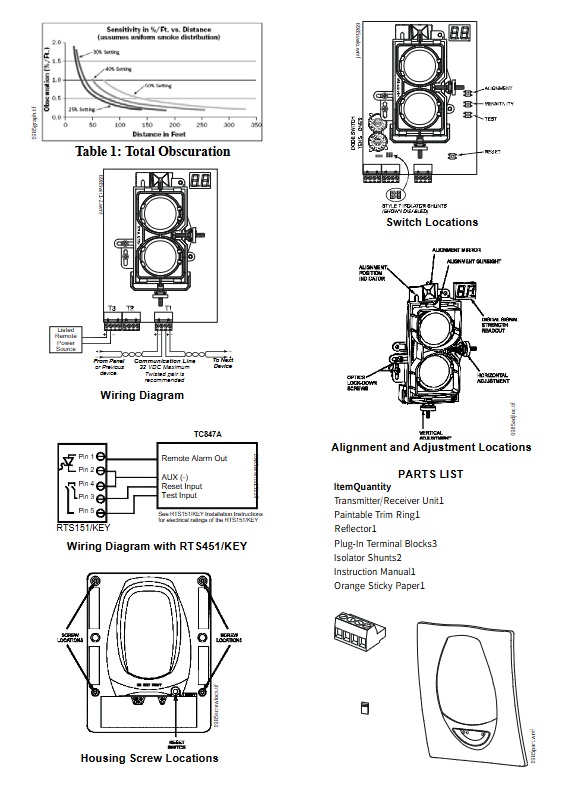
TC847A1004 (A) is an intelligent coding single ended reflective beam smoke detector launched by Honeywell. It consists of a transceiver and a reflector plate, and triggers an alarm through smoke blocking light signals. It is designed specifically for tall/sloping ceilings and large open spaces, replacing traditional point detectors.
Core Features
Structure and Installation
Single ended integrated design, paired with transceiver and reflector, easier to install compared to reflector
Built in optical sight+two digital tubes for easy alignment without the need for specialized tools
The optical part can be independently adjusted by * * horizontal/vertical ± 10 ° * *
Sensitivity mode
Standard 4 levels: 25%, 30%, 40%, 50% shading rate
Acclimate ® Automatic 2nd gear: 30-50%, 40-50%, software automatically adapts to the environment
Fault triggering: shading rate * * ≥ 96% * *, alignment failure, compensation exceeding the limit
Test function
Built in motor driven test filter, can remotely trigger sensitivity testing
Support RTS151/RTS151KEY remote test reset, no need to climb high
Meet the NFPA 72 annual testing requirements
automatic compensation
Built in automatic gain control to compensate for signal attenuation caused by dust accumulation
Key technical parameters
(1) Work and environmental parameters
Parameter specifications
Protection distance 16~230ft (5~70m); Optional BEAM LRK up to 328ft (100m)
Working temperature -30 ℃~55 ℃ (-22 ℉~131 ℉)
Humidity 10%~93% RH Non condensing
Supply voltage 15~32VDC
Standby current ≤ 2mA@24VDC
Alarm current ≤ 8.5mA
Fault current ≤ 4.5mA
(2) Sensitivity and Distance Matching (Abstract)
25%:16.4~120ft
30%/40%/50%:25~328ft
Acclimate ®: 80~200ft automatic interval
(3) Mechanical dimensions
Detector: 10.0 × 7.5 × 3.3 inches
Standard reflector: 7.9 x 9.1 inches
Long distance reflector: 15.7 x 18.1 inches
Weight: 3.7lbs (1.68kg)
Indicator lights and status
Green flashing: normal monitoring
Red constantly on: alarm
Yellow constantly on: Fault (alignment/occlusion/compensation exceeding limit)
Optional accessories
BEAMLRK: Long distance kit (>230ft)
BEAMMMK: Multi position mounting bracket, enhanced angle adjustment
BEAMHK/BEAMHKR: Heating kit, anti condensation
RTS151/KEY: Remote testing station (optional with lock)
6500-MMK/SMK: Heavy duty Seismic Installation Kit
Certification standards
UL 268、ULC S529、FM、CSFM、MEA
4. Key questions and answers
What is the maximum detection distance of TC847A1004 and how to achieve ultra long range?
Answer: The standard distance is 16~230ft (5~70m); For distances exceeding 230ft, BEAMLRK long-distance kit is required, which can be expanded up to 328ft (100m), and large-sized reflector plates need to be replaced.
What are the two automatic modes included in the six sensitivity levels of this detector and what are their functions?
Answer: Includes Acclimate ® 5 (30-50%) and Acclimate ® 6 (40~50%) two speed automatic mode; Relying on software algorithms to automatically adapt to the environment, dynamically adjust sensitivity, and avoid false alarms caused by dust, temperature differences, etc.
How can TC847A1004 achieve annual testing without climbing and meet NFPA 72 requirements?
Answer: The detector is internally integrated with a motor driven test filter, and is connected to an RTS151/KEYremote testing station with a 24VDC power supply. Remote triggering can simulate smoke shading testing sensitivity without the need for personnel to reach the detector installation location.
