Rexroth Bosch Group VT 2000-52 (5X series) Electrical Proportional Amplifier
Product basic information
Product model: VT 2000 (5X series) electrical amplifier
Applicable objects: Direct acting and pilot operated proportional pressure control valves without electrical position feedback
Document version: RE 29904/09.04
Supporting components
Card holder: VT 3002-2X/32
Power supply: VT-NE30-1X (115/230VAC → 24VDC, 70VA)
To replace the 4X series, an additional blind plate needs to be purchased: R900021004
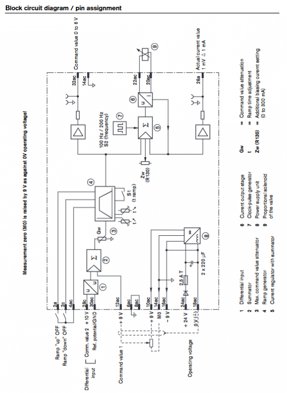
Core Function Description
Dual instruction value input
Instruction 1: 0~+9V, reference potential M0
Instruction 2: Differential input 0~+10V, compatible with external controls such as PLC
Slope generator
The boost/buck time is independently adjustable
Range: 30ms~approximately 1s/5s (jumper S1 switching)
Output stage
Clock based current output, frequency 100/200Hz (switched by jumper S2)
Improving valve control characteristics with flutter signals
safety protection
Reverse polarity protection of power supply
Electromagnetic valve cable short circuit protection
Overload overheating automatic shutdown output stage
Key Technical Parameters
Parameter item value/specification
Working voltage 24 VDC (22~35V)
Power consumption<25 VA
Fuse 2.5 A slow melting
Command input 1 0~+9 V (M0 as reference)
Instruction input 2 (differential) 0~+10 V, input impedance 100 k Ω
Maximum output current 800 mA
Bias current 0~300 mA (Zw adjustable)
Slope time 30 ms~1 s/5 s
Clock frequency 100 Hz/200 Hz
Measurement port w 0~+6 V (corresponding to 100% instruction)
Measurement port I 0~800 mV (corresponding to 0~800 mA)
32 pin male interface, DIN 41612 D-type
Size Euro card 100 × 160 mm
Working temperature 0~50 ℃
Weight 0.1 kg

Adjustment and jumper settings
Panel adjustment
Gw: Maximum instruction value attenuation (voltage limit)
Step up ramp and step down ramp: speed regulation separately
In board adjustment
Zw (R130): bias current 0~300mA
Jumper settings
S1: Slope time of 1s/5s
S2: Clock frequency 100Hz/200Hz
Troubleshooting (8 steps)
Check the 24VDC power supply (24ac-18ac)
Check the 2.5A fuse on the board
Confirm that ± 9V inside the board is normal
Internal command potentiometer needs to be short circuited 10ac-12ac
The wiring of the external potentiometer is correct
Differential input potential and wiring are normal
The resistance of the solenoid valve coil is 20-30 Ω (22ac-20ac)
The Gw potentiometer cannot be placed in the left limit zero position
Installation and maintenance specifications
Power off installation, measuring instrument impedance>100k Ω
M0 and 0V are not grounded together (M0 is 9V higher than 0V)
Command line shielded at both ends, grounded at one end
It is recommended to shield the solenoid valve wire, and use a 1.5mm ² cable for a maximum length of 50m
Stay at least 1m away from strong electricity and RF sources
Key questions and answers
Question: What are the functions of the core regulating components Gw and Zw in the VT 2000 amplifier?
Answer: Gw is the maximum instruction value attenuation potentiometer on the panel, used to limit the output current and maximum pressure; **Zw (R130) * * is an onboard bias current regulator that can set an initial current of 0-300mA to improve the starting characteristics of proportional valves.
Question: What are the two types of instruction inputs for this amplifier and what scenarios are they suitable for?
Answer: * * Instruction 1 (0~+9V) * * is suitable for direct control with internal/external potentiometers; **Instruction 2 (differential 0~+10V) * * is suitable for external controllers such as PLCs, with stronger anti-interference ability and adaptability to different reference potential systems.
Question: What should be noted when replacing the old 4X series with VT 2000 amplifier?
Answer: The 5X series is electrically and pin compatible with the 4X series, but a separate order for 4TE/3HE blind plates (material number R900021004) is required. The factory default slope is 5s, and the clock 200Hz can be directly replaced.
